You're currently logged in to make purchases in USD. If you have a profile that is set up to purchase in RMB please visit My DigiKey and switch profiles.
If your account is not registered in RMB currency, please log out and use another email address to register an account or place an order as a guest.
Orders are typically delivered to China within 4 days depending on location.
Free delivery to China on orders of $100 USD or more. A delivery charge of $30 USD will be billed on all orders less than $100 USD.
CPT if prepay and add, FCA Thief River Falls if billing to a shipper account as defined by INCOTERMS 2010
Customer is responsible for all applicable duties, tariffs, brokerage fees and taxes
Credit account for qualified institutions and businesses
Payment in Advance by Wire Transfer
![]()
![]()
![]()
![]()
More Products From Fully Authorized Partners
Average Time to Ship 1-3 Days, extra ship charges may apply. Please see product page, cart, and checkout for actual ship speed.
Incoterms: CPT (Duty, customs, and applicable VAT/Tax due at time of delivery)
For more information visit Help & Support
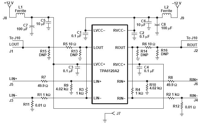
The TPA6120A2 is a high fidelity audio amplifier built on a current-feedback architecture. This high bandwidth, extremely low noise device is ideal for high performance equipment. The better than 120 dB of dynamic range exceeds the capabilities of the human ear, ensuring that nothing audible is lost due to the amplifier. The solid design and performance of the TPA6120A2 ensures that music, not the amplifier, is heard.
| Manufacturer | Texas Instruments |
|---|---|
| Category | Audio Amplifiers |
| Eval Board Part Number | 296-18927-ND |
| Eval Board Supplier | Texas Instruments |
| Eval Board |
Normally In Stock
|
| Amplifier Type |
Class AB
|
| Number of Outputs |
Stereo
|
| Output Power (RMS) @ Load |
2 W x 2 @ 32 Ω (±12V)
|
| Voltage In |
±5 ~ ±15 V
|
| THD+N (1kHz) @ Conditions |
< 0.0003% @ 1.4 W (32 Ω, ±12V)
< 0.0004% @ 2 W (32 Ω, ±15V) |
| Features |
Short Circuit Protection
Thermal Protection |
| Efficiency @ Conditions |
- Not Given
|
| Standby Current [Typical] | |
| Quiescent Current [Typical] | |
| Component Count + Extras |
23 + 18
|
| Application / Target Market |
Audio: Hi Fi
|
| Design Author |
Texas Instruments
|
| Main I.C. Base Part |
TPA6120A2
|
| Quiescent Current [Maximum] |
15 mA
|
| Standby Current [Maximum] | |
| Date Created By Author | |
| Date Added To Library | 2011-03 |
Get fast and accurate answers from DigiKey's Technicians and Experienced Engineers on our TechForum.
Please visit the Help & Support area of our website to find information regarding ordering, shipping, delivery and more.
Registered users can track orders from their account dropdown, or click here. *Order Status may take 12 hours to update after initial order is placed.
Users can begin the returns process by starting with our Returns Page.
Quotes can be created by registered users in myLists.
Visit the Registration Page and enter the required information. You will receive an email confirmation when your registration is complete.
Orders are typically delivered to China within 4 days depending on location.
Free delivery to China on orders of $100 USD or more. A delivery charge of $30 USD will be billed on all orders less than $100 USD.
CPT if prepay and add, FCA Thief River Falls if billing to a shipper account as defined by INCOTERMS 2010
Customer is responsible for all applicable duties, tariffs, brokerage fees and taxes
Credit account for qualified institutions and businesses
Payment in Advance by Wire Transfer
![]()
![]()
![]()
![]()
More Products From Fully Authorized Partners
Average Time to Ship 1-3 Days, extra ship charges may apply. Please see product page, cart, and checkout for actual ship speed.
Incoterms: CPT (Duty, customs, and applicable VAT/Tax due at time of delivery)
For more information visit Help & Support
Thank you!
Keep an eye on your inbox for news and updates from DigiKey!
Please enter an email address