选稳压器,电压参考和电流参考哪种好?
一般来说,DCDC 开关稳压器都是固定电压输出。通过添加电阻分压电路,我们可以实现调节输出电压的效果。但是传统的分压电路,电源精度受分压电阻影响,调节电压范围受限,无法调节到0V。
本文介绍一种ADI新的技术,针对这两个缺点,看看是如何解决的。
1. 传统分压电阻调节的稳压电路
下图是一个分压电阻调节的稳压器电路的实例:
这是一个降压型稳压电路,电源转换器通常包含一个控制环路,以维持设定的输出电压。
图 1. 传统稳压器电路(图片来源于ADI)
右侧的电阻(RFB1 和 RFB2)构成一个分压电路。将生成的输出电压,根据内部参考电压VREF,调节到指定电压。一般情况下,输出电压无法调节到低于内部参考电压VREF。
如果需要把输出电压调整低至 0 伏。需要在电阻分压电路上,外加一个偏置正电压源(如下图红框里所示),用于调节输出电压。该偏置正电压源可由线性稳压器 (LDO)或基准电压源产生。
图 2. 传统稳压器电路,外加的偏置正电压源连接
这么做的话,依旧电阻分压器的电阻精度,以及偏置正电压源精度会直接影响所产生的电源电压精度。
2. ADI输出电压调节新方案
如下图,电源输出电压直接反馈到芯片内的误差放大器。输出电压通过连接到内部电源的电阻(RSET)进行调整。这种配置可将输出电压调整至 0V。
图 3. 稳压器新架构(图片来源于ADI)
另一个优势是在低于 100kHz 的低频下产生更少噪声。通过加入 CSET 电容,可平滑内部电流源的低频干扰,大大减少这些干扰。
实例分析1:
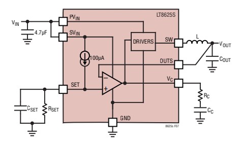
ADI的第三代 Silent Switcher® 系列的新型降压开关稳压器 LT8625S 用到了此技术。
图 4. ADI新型降压开关稳压器LT8625S
参考电压:LT8625S 有一个精密的 100µA 电流源从 SET 引脚流出并连接到误差放大器的同相输入端。参考电压等于SET引脚电流乘以RSET。

比如,想要实现0.8V输出,可以将 8.25kΩ 与 267kΩ 并联来实现(几乎)正好为 8kΩ。当然,为实现更高精度,可以使用 0.1% 的电阻。
电流参考的优势:
与传统稳压器中使用的电压参考相比,使用电流参考的好处是稳压器始终以单位增益配置运行,与编程的输出电压无关。这使得 LT8625S 具有独立于输出电压的环路增益、频率响应和带宽。此外,由于不需要误差放大器的增益将 SET 引脚电压放大到更高的输出电压,因此输出负载调整率更严格。
设计要点:
- SET 引脚的任何漏电流都会导致输出电压产生误差。所以,如果有必要,可以使用高质量绝缘材料制成的 PCB 板材,比如特氟龙。
- SET 引脚是高阻抗节点,不需要的信号可能会耦合到 SET 引脚并导致不稳定行为。在重负载电流下以最小输出电容运行时最明显。通过一个小电容将 SET 引脚旁路到地可以解决这个问题,100nF 就足够了,这是最小推荐电容值。当然大一点更好。
- 对于需要更高精度或可调输出电压的应用,SET 引脚可以由能够吸收 100μA 的外部电压源主动驱动。将精密电压参考连接到 SET 引脚可消除由于参考电流和 SET 引脚电阻容差而在输出电压中出现的任何误差。
更多内容请看:
LT8625S数据手册实例分析2:
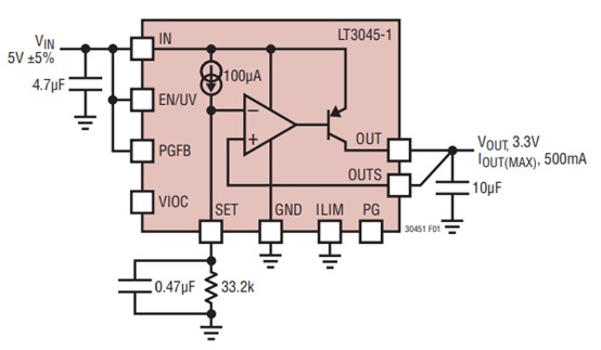
除了开关稳压器之外,ADI的线性稳压器 LT3045,也都采用了这种环路调节技术。同样,有一个精密的 100µA 电流源从 SET 引脚流出并连接到误差放大器的同相输入端。
图 5. ADI的线性稳压器 LT3045
同样只需要 1% RSET 电阻值, 就可以完成对于输出电压的设定。下面是输出电压与电阻对应关系:

电流参考的优势与设计要点:
采用电流参考的好处在于输出电压变化时,噪声、PSRR 和瞬态性能不改变,且输出负载调整率更严格。同时,SET 引脚电阻应采用精密电阻,防止漏电影响输出电压,在高湿度环境下可能需要在 SET 引脚进行表面涂层以提供防潮屏障。
更多内容请看:
LT3045数据手册更多产品:
LT3045开发板, 一款具有可编程电流限制的 500mA 超低噪声、超高电源抑制比(PSRR)低压差(LDO)稳压器。在 3.8V 至 20V 的输入电压范围内工作,LT3045 可提供最大 500mA 的输出电流。除了具有超低噪声和超高 PSRR 之外,该稳压器还提供可编程电源良好功能以及可编程电流限制,还可通过感测 ILIM 引脚电压实现电流监测。从而,助力缩短开发周期。
总结
|
最后
ADI 的输出电压调节新方案优势很明显,它解决了传统分压电阻调节稳压电路的问题。新的设计架构,使得在低频范围内产生更低的噪声水平。而且,剩余的最小噪声不依赖于设定的输出电压,能更大范围地调节电压。
更多有关稳压器技术文章,请点击以下链接观看:
- “升压,降压式”稳压器与“升压/降压式”稳压器的比较
- 浅谈负输出DC-DC稳压器(第一部分):典型的正负电压供电系统
- 线性稳压器的冷却要求
- 我的 LDO 稳压器在低负载电流时超出规格!
- LDO 稳压器的选择
- 电源设计中,较常見的非隔离拓扑
参考:
- ADI How to Easily Neutralize Overvoltages with a Protective Circuit
- 如何利用电位器,手动调节电源输出电压
- 产生更低电压的直流电源电压
小编的话
如文章所示,与传统的电压参考稳压器相比,电流参考稳压器在调节电压范围、噪声性能、稳定性、输出负载调整率以及设计灵活性等方面均优于传统的电压参考稳压器。您是否有使用过这两种类型的稳压器?您对电压输出设计有哪些经验或问题?欢迎到技术论坛留言,分享交流!
Have questions or comments? Continue the conversation on TechForum, Digi-Key's online community and technical resource.
Visit TechForum