为汽车和工业应用设计低成本手势感应系统
投稿人:DigiKey 北美编辑
2017-06-14
人机界面 (HMI) 是几乎所有工业和汽车应用的关键组件。随着交互变得越来越复杂,传统的开关设计对于许多环境来说都不再适合:它们违反直觉,会转移操作者执行其他任务(如控制机器或驾驶车辆时)时注意力。
虽然有许多基于手势控制的选择,但是设计师面临的挑战却是如何平衡性能、精度与成本、功耗以及简易性的关系。
本文将讨论基于红外感应技术的手势控制系统所需的组件。同时会介绍一款低成本传感器评估板及其相关软件,以帮助客户加快开发并提前让产品上市。
非接触式感应应用
无接触感应的第一个日常应用就是检测物体的接近并触发相应的响应。自动门、给皂器、门廊灯和干手机均采用非接触式传感器作为输入。
在这些系统中,接近传感器充当提供数字开/关输出的开关,而手势感应则让用户通过三维运动以直观方式来控制系统。
手势控制还让用户能够通过大的活动区域来改变操作方式,用粗移动来替代细动作。在使用手势感应技术的视频游戏系统中,这个功能的主要用处就是检测与复杂运动相关的移动或跟踪多个玩家。
红外手势感应技术
视频游戏系统使用激光器和专用相机来检测用户活动,但对于许多像汽车这样的应用来说,它们太过复杂和昂贵。例如,在这里仅需要简单左移或右移手臂即可改换无线电频道(图 1)。类似地,可通过向上或向下划动或推入或退出运动来调节音量。

图1:手势感应系统使用直观运动来简化机器控制。(图片来源:BBC/BMW)
由于红外 (IR) 感测技术能够低成本检测各种简单的手势,因此对于众多工业、消费和汽车应用(图 2)来说都是绝配。硬件由位于电路板上分开指定距离的两个红外发光二极管 (IRED) 组成,中间设有检测器。

图 2:使用两个 IR 二极管且在二极管间设有一个感测装置的 IR 手势感应系统。(图片来源:Vishay Semiconductor)
每个 IR 发射器的辐射模式都是高度定向的。当手越过发射器时,应测传感器测得的反射辐射将出现相应的尖峰。当操作者将手从左到右移动时,左(黑色)发射器的信号将在右(绿色)发射器之前增加和减少,反之从右到左运动亦然。
传感器将数据发送到包含软件的微控制器,然后微控制器会分析信号强度随时间的变化,以确定是否作了划动手势,如果是,再确定是朝哪个方向。
手势感应设计实例
典型手势感应应用电路会在基本系统中增加一个第三 IR 发射器,使其能够检测上/下和左/右手势(图 3)。

图 3:具有三个发射器的手势感应设计可以检测左/右和上/下手势。(图片来源:Vishay Semiconductor)
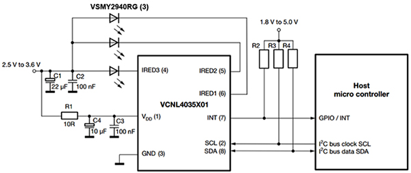
该系统的核心是 Vishay Semiconductor 的 VCNL4035X01 IR 和环境光传感器,采用 2.5 至 3.6 伏单电源供应。应用特定的集成电路 (ASIC) 包括用于三个外部 IR 发射器的驱动器、一个接收反射输出的内部光电二极管和处理光电二极管信号的电路。使用工业标准 I2C 串行接口与外部微控制器通信,分析数据以解码手势。

图4:VCNL4035 可以驱动多达三个外部 IR 发射器,并且包括一个内部环境光传感器(图片来源:Vishay Semiconductor)
为了节省电力并降低处理开销,VCNL4035 提供可编程中断引脚,可在发生手势事件或环境光变化时唤醒微控制器,无需持续轮询。
VCNL4035X01 采用高度仅为 0.75 毫米的小型 4.0 x 2.36 毫米无引线封装 (LLP),因此能够适应空间受限的智能手机、数码相机、平板电脑等类似应用。

图 5:VCNL4035 IR 光电二极管 (a) 和环境光传感器 (b) 中的传感器归一化光谱响应。为方便比较展示了人眼反应。(图片来源:Vishay Semiconductor)
为了确定运动的方向,软件必须能够区分 IRED 输出,以便比较它们。在手势感应模式下,VCNL4035 可以快速顺序驱动 IRED,然后指示微控制器读取包含三个 16 位光电二极管输出的内部寄存器。电流驱动强度、驱动时间和连续测量组之间的时间都是用户可选择的。
环境光传感器 (ALS) 接收可见光并将其转换为 16 位 ADC 值。VCNL4035 的 ALS 在 540nm 处具有峰值灵敏度,并且具有 430nm 至 610nm 的带宽,与人眼几乎一致。
IRED 要求
IRED 的输出应匹配 VCNL4035 光电二极管的灵敏度响应,以确保获得最佳性能。凭借 940 nm 的峰值波长(λP),Vishay Semiconductor 的 VSMY2940RG 系列发射器非常切合此目的。它们基于砷化镓铝 (GaAlAs) 表面发射器芯片技术,在脉冲工作(tp =100μS)模式和 1 安培正向电流条件下,提供了单位球面度 880 毫瓦的典型辐射强度 (mW/sr)。
此外,这些器件以非常定向的模式发射辐射,基本光束角在 ±10° 内(图 6)。

图 6:Vishay 的 VSMY2940RG 红外发射器具有非常受限的相对辐射强度与角位移曲线,因此适合用于手势感应应用。(图片来源:Vishay Semiconductor)
手势感应设计考虑因素
在确定最佳设计之前,手势感应系统的设计者需要权衡诸多因素。一个是检测范围与电流消耗。另一个是 IRED 放置。
增加手势可以检测的距离意味着提高 IRED 的输出功率。由于输出功率是其正向电流的函数,因此电力消耗也将增加,这是电池供电型设备所不期望的。较高功率也增加了必须消散的热量,从而可能需要增加设计的尺寸。
在前面讨论的设计中,200mA 的 IRED 驱动电流产生的典型辐射强度为 200 mW/sr,这样才能检测距传感器板 40 厘米开外的手势。
至于 IRED 放置,具体应用的需求决定了外部 IRED 的数量及其位置。对简单的接近应用,或者检测诸如手指移动之类的小手势时,IRED 和传感器之间的距离可能仅需几毫米。
传感器与 IRED 之间的间隔越大,确定手指划动方向时距离就可以越远,也越具有优势。经过实证检验,从而实现最佳距离。
手势检测软件
使用 VCNL4035 的输出来确定预期手势有几种方法。一个简单的方法就是设置对象的最小检测阈值。越过阈值的上升沿表示手到了 IRED 上方,越过下降沿表示手已经离开了 IRED 的检测区域。
通过两个 IRED 可确定事件发生顺序,从而指明是发生了左划还是右划。该方法会分析每个孤立测量周期的结果,且需要很少的处理器资源。
另一种方法是,加大计算强度来分析来自多组(帧)测量的数据。这种算法每个帧会计算两个量:每个信号相比其相应样本集的标准偏差,以及左右信号之间的时间延迟。通过将结果与用户定义的阈值进行比较,该算法可区分发生了什么类型的手势。
标准偏差 s 衡量的是所分析帧内的数据分布。它使用以下公式计算:

其中 x̄ 是当前帧的平均值,n 是所分析的样本数。
高标准偏差意味着信号变化大,表明有手在传感器上通过或向其移动。
另一方面,低标准偏差意味着信号变化很小或没有变化,表明在传感器检测区域中没有手的信号,或者手没有移动的。信号之间时间延迟足够大表示已经进行了划动手势。这种计算方式还可以使用计算两个信号之间重叠量的互关联算法来估计延迟。
使用传感器入门套件快速入门
Vishay的 VCNL4020 传感器入门套件是启动 IR 手势感应设计的方便之门。该套件包括一个 USB 加密狗、一块插件式 VCNL4020 手势演示板和一张包含 USB 驱动程序和软件的迷你 CD。
VCNL4020 本身就是一个集成式接近和环境光传感器,内置红外发射器。在该演示板上,VCNL4020 还驱动一个外部 IRED,以便在需要时增加空间分隔。

图 7:Vishay 的 VCNL4020 传感器入门套件提供了启动手势感应开发所需的硬件和软件。它是 Vishay 的默认起点,并连接到各种各样用于不同 Vishay 传感器的扩展板。(图片来源:Vishay Semiconductor)
USB 加密狗能够实现演示板与主机 PC 之间的 I2C 转 USB 通信。它带有一个将增强型 8051 微控制器与集成单芯片 USB 2.0 收发器结合在一起的 ASIC,即 Cypress Semiconductor 的 CY768013A。它还包括一个 3.3 伏稳压器,外加 Microchip Technology 的一个 18 位单输入三角积分模数转换器(ADC)MCP3421,以提供额外的模拟输入。
USB 加密狗是其他 VCNL 传感器演示板的基础,所有这些都是 Vishay 免费提供的,包括 VCNL4035 演示板。该板特别直观,因为它包括了一个指示手势方向的 LED 阵列。
VCNL4035 板所带 CD 上的开发软件实现了前面讨论的标准偏差和互关联检测算法。
该软件允许用户更改数据采集和检测算法的关键参数。可以调整多个参数以对系统性能进行微调,包括:
- 数据测量速率
- 测量采样时间
- 上/下检测阈值
- 左/右检测阈值
- 阈值斜率
- 标准偏差阈值

图 8:使用用于 VCNL4035 的 LabVIEW GUI 的手势感应屏幕,显示了从左到右运动的结果。(图片来源:Vishay Semiconductor)
该入门套件包含一个可以在 National Instruments 的常用 LabVIEW 编程平台上运行的图形用户界面 (GUI)。图中(见图 8)所示为显示从左到右运动结果的手势感应屏幕。左(红)IRED 指第一条线,后面是中间(绿色)IRED,然后是右(蓝色)IRED。
对于刚开始使用 LabVIEW 环境的开发人员来说,Digilent 的 LabVIEW Home Bundle 为他们提供了一个以最低成本入手的机会。
结论
红外手势感应系统可以应对许多 HMI 挑战。其低成本硬件和复杂软件的组合可以检测工业、汽车和消费类应用中的许多常见运动。
Vishay 推出了各种各样的光电元件和入门套件,可帮助开发人员快速掌握 HMI 手势感应设计能力。其 LabVIEW GUI 的推出还简化了开发工作,有助于更好地实现设计取舍。
免责声明:各个作者和/或论坛参与者在本网站发表的观点、看法和意见不代表 DigiKey 的观点、看法和意见,也不代表 DigiKey 官方政策。


