本项目基于ADI公司推出的ADUM1252AUA+芯片,设计了一款高性能隔离式I2C/SMBus通信模块。ADUM1252系列是一款超低功耗、双向隔离器,具备扩展VDD供电、支持总线空闲状态下的热插拔操作以及低VOL特性,显著提升了I²C总线的兼容性与稳定性。该模块可广泛应用于温度隔离通信采集、电机隔离控制、电池管理系统(BMS)、医疗电子设备等场景,有效阻隔噪声干扰,保障控制器与传感器间关键通信的可靠与安全。
ADUM1252AUA+芯片的核心特性包括:
低输出电平(VOL),第一侧仅为0.69V,第二侧为0.4V,提升I²C兼容性;
在400kHz通信频率下,每通道功耗低至142μA,有助于延长电池供电设备的运行时间;
支持1.71V至5.5V宽范围双电源电压,适应多电平接口与电平转换需求;
最高支持2MHz高速双向I²C通信,集成热插拔保护机制,防止数据在插拔过程中受损;
高灌电流能力,第一侧达5mA,第二侧达50mA,可降低上拉电阻值,提升总线通信速率;
提供445V RMS隔离耐压和±10kV浪涌防护能力,符合IEC 61000-4-5标准,确保系统绝缘安全与抗干扰性。
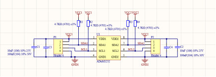
下图是我为本项目设计的模块原理图:
下图所示为PCB图
下图所示为波形图
本模块在布局中充分考虑了信号完整性与隔离强度,通过优化布线策略降低串扰,提升整体EMC性能。ADUM1252AUA+的高集成度与卓越特性,为工业与医疗应用提供了可靠的通信隔离解决方案。
最后,衷心感谢DigiKey给予本次芯片试用与项目实践的机会!
DigiKey 产品购买链接:



