The Advantages (and Drawbacks) of DC-to-DC Voltage Converters with Integrated Inductors
投稿人:电子产品
2015-04-20
Such is the popularity of DC-to-DC voltage converters (“switching regulators”)––due to their high efficiency across wide input- and output-voltage ranges––that chip makers have focused a lot of research dollars on squeezing the essential components of the devices into modules. These modules typically include pulse-width-modulation (PWM) controllers and switching elements in a single, compact package, easing the design work for the engineer.
However, until recently, it has proven difficult to include the energy-storage device (the inductor) inside the package. This has dictated that the engineer must specify, source, and design-in the inductor as a peripheral component, adding complexity and consuming board space. Now, a new generation of high-frequency switching regulators has enabled the use of smaller inductors enabling the devices to be housed inside the component vendor’s package.
This article briefly explains the role of an inductor in a switching-regulator design before moving on to describe the technical merits and trade-offs of selecting a power module with an integrated inductor.
Anatomy of a switching regulator
Switching regulators use a switching element (typically one or two metal-oxide semiconductor field-effect transistors (MOSFETs)) and an energy-storage device (an inductor) to efficiently regulate an input voltage to a lower (“buck”) or higher (“boost”) output voltage.
The inductor performs a fundamental role in the switching regulator. In a buck regulator, when the transistor is powered, the magnetic field in the inductor builds up, storing energy. The voltage drop across the inductor (which is proportional to the duty cycle of the transistor) opposes (or “bucks”) part of the input voltage. When the transistor switches off, the inductor opposes the change by flipping its electromotive force (EMF) and supplies current to the load itself via the diode.
In a boost converter current flows from the input when the transistor is switched on. This passes through the inductor and transistor, with energy being stored in the inductor’s magnetic field. There is no current through the diode, and the load current is supplied by the charge in the capacitor. Then, when the transistor is turned off, the inductor opposes any drop in current by reversing its EMF, boosting the source voltage, Current, due to this boosted voltage, flows from the source through the inductor and diode to the load, as well as recharging the capacitor (Figure 1).

Figure 1: Current flow in a boost converter when the transistor (SW) is switched off.
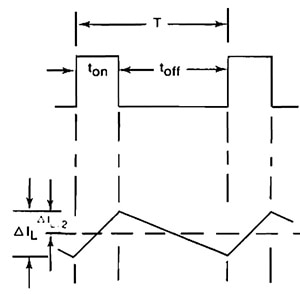
In a buck converter under steady-state conditions, the average current in the inductor (IL) is equal to the output current IOUT. Due to the voltage input being a square wave, the inductor current is not constant, but ripples between a maximum and a minimum value as the input voltage switches on and off. The difference between the maximum and minimum (ΔIL) is called the peak-to-peak inductor-current ripple (Figure 2).

Figure 2: Input voltage switching causes the current in the regulator’s inductor to ripple.
In turn, the current ripple, combined with the output filter capacitor’s equivalent series resistance (ESR), causes the output voltage to ripple around the set voltage (see the TechZone article “Capacitor Selection is Key to Good Voltage Regulator Design”).
The choice of inductor is determined in part by the desired peak-to-peak value of the inductor current and the switching frequency. For a given operating frequency, a larger inductor reduces the peak-to-peak current (because the current ramp-up and -down is shallower for such a winding). However, the Inductor value is inversely proportional to switching frequency for equal peak-to-peak ripple current. By increasing the switching regulator’s operating frequency, an inductor with fewer loops and/or thinner wire for the coil, and a smaller core can be used, reducing the inductor’s volume due to the fact that by operating at a high frequency the inductor does not have to store as much energy between switching events[1] (also see the TechZone article “The Inductor’s Role in Completing a Power Module-Based Solution”).
Tiny inductors inside
Major semiconductor vendors supply a wider range of power modules that incorporate most of the components of a switching regulator into a convenient compact package. Typically these modules integrate the PWM controller and switching element(s) into a silicon device leaving the designer with the job of selecting passive components for the input and output filters to match their application. However, these chips do not incorporate the inductor because, as yet, it has proved impossible to shrink the coil such that it becomes a silicon feature.
For example, Intersil’s ISL85415 buck-switching regulator integrates two MOSFETs and a PWM controller onto a single chip but requires an external inductor. This power module operates from an input voltage range of 3-36 V and supplies 0.6-34 V at up to 500 mA. The switching frequency can be adjusted in the range 300 kHz to 2 MHz.
The exclusion of the inductor from a power module leaves the designer with the challenge of specifying a suitable device for his or her power supply. (For example, the Intersil device described above employs a 22 µH external inductor in a typical application circuit.) While there is a wealth of vendor applications notes advising how to go about the process and a wide range of suitable inductors, this is not a trivial task. For example, it can be all too easy to specify a device that appears perfect for the job but in practice causes the switching regulator to drop into a discontinuous operating mode compromising performance (see the TechZone article “The Difference Between Switching Regulator Continuous and Discontinuous Modes and Why It's Important”). And even when a suitable component is selected, the engineer is faced with a potentially lengthy loop compensation process to ensure the switching regulator is stable across its operational bandwidth.
Researchers are working on ways to add an inductor to an IC, but it is proving tough because even at high frequencies, relatively large areas of silicon are required to accommodate the length, number of turns, thickness, and space between metal traces required to achieve adequate levels of inductance. The problem is made even tougher because the large areas of silicon needed to fabricate the inductor encourage unwanted inductance due to parasitic effects between the coil and substrate.
One solution, championed by scientists at University of California, Berkeley, uses insulated nano-composite magnetic materials to boost inductance for a given device by up to 80 percent. Alternatively, the use of these high-inductance materials allows a coil of given inductance to shrink dramatically. High-inductance materials also boost the operating frequency from the gigahertz range to the tens of gigahertz range – encouraging greater shrinkage.
Despite these advances, commercialization of on-chip inductors is still some years away. Nonetheless, designers do have an interim option: packages that combine an IC and inductor into a single device. Such packages are larger than conventional power modules, but take up less board space than a power module plus a discrete inductor. Moreover, the designer does not face the hassle of selecting and designing-in a suitable inductor as the supplier has already done the job.
Altera’s Enpirion PowerSoC DC-DC converter family is a good example of a power module that incorporates an inductor. The EN23F2QI buck regulator, for instance, integrates MOSFET switches, small signal control circuits, compensation, and an inductor into a 12 x 13 x 3 mm QFN package (Figure 3).
Figure 3: Enpirion PowerSoCs incorporate a complete switching regulator, including inductor, into a single package.
The PowerSoC represents a complete switching-regulator solution apart from the external resistors and capacitors needed for input- and output-filtering. The device operates at a frequency of 1 MHz to reduce the size of the inductor and can supply 0.75-3.3 V at up to 15 A from a 4.5-13.2 V input. The EN23F2Q1 operates with an efficiency of around 90 percent at an output current of 3.3 V and 6 A. Figure 4 shows a schematic of the regulator.

Figure 4: Schematic of the Enpirion PowerSoC.
Texas Instruments (TI) also offers an integrated power solution, the TPS84A20. The product combines power MOSFETs, inductor, and passives in a low-profile, QFN package to create a 10 A switching regulator. TI explains that the solution eliminates both the inductor selection and loop-compensation process.
The 10 x 10 x 4.3 mm QFN package is claimed to achieve greater than 95 percent efficiency. The device operates from a 2.95-17 V Input, supplying 0.6-5.5 V at up to 10 A.
Understanding the trade-offs
While power modules incorporating the inductor are a space-saving solution, the design engineer should be prepared for the inevitable trade-offs.
A key drawback is an efficiency penalty. In order to shrink the inductor to shoehorn the device into the package, the device has to operate at a higher frequency. Higher-switching frequency leads to greater power loss, demanding more board space or a heatsink to dissipate excess heat and/or limited power output. Switching losses increase with greater frequency due to the larger number of constant energy-switching events per unit time. For comparable devices, the efficiency cost is around one percent for each 100 kHz increase in frequency (although some of the newest switching regulators have slashed this efficiency cost by employing the latest process technology during fabrication).
Another drawback of an integrated inductor comes from the fact that these tiny inductors do not use a solid core (and are subsequently described as “air-cored,” Figure 5). The type of core has a significant effect on how much energy a given inductor can store because it’s the medium by which the inductor both concentrates and contains the magnetic field––generated by the voltage across the windings––which stores energy.

Figure 5: Air-cored inductors are more efficient at high frequency than ferrous-cored devices. (Courtesy of Wurth Electronics)
The combination of number of windings, volume, and type of core sets an upper limit on the strength of the magnetic field and hence the energy stored. For example, a core with low “reluctance” (analogous to circuit resistance) can support a relatively high-density magnetic field whereas the same size core with high reluctance can only support a lower-density magnetic field.
Solid-ferrous cores have low reluctance so are able to store a reasonable amount of energy but reach an upper limit due to the fact they “saturate” quickly. Powdered-ferrous cores also have low reluctance and saturate less easily than solid-ferrous cores but are more expensive. Moreover, the inductance of both types of ferrous core changes with operating frequency, and as the frequency climbs losses increase.
An air-cored inductor’s inductance does not change with frequency and it is more efficient than ferrous-cored devices, particularly at high frequencies. The devices also create less distortion, but air supports only a low-density magnetic field so energy storage is poor compared with a ferrous core for a device of a given number of windings and size. This weakness is addressed to some extent by operating at a higher frequency.
Perhaps the biggest trade-off with the air-cored inductors used in integrated switching regulators is that electromagnetic interference (EMI) becomes more of an issue because the cores do not feature the closed magnetic fields of ferrous cores and hence allow stray radiation to escape. The EMI challenge is further increased due to high frequency operation. Some manufacturers try to mitigate the problem by fitting shielding but this adds to the cost of the device and increases its size[2].
A final trade-off of a switching regulator with integrated inductor is that the choice of inductance can be limited, restricting the scope for the designer to optimize the regulator to suit the operational parameters of the end product.
Pioneering design
The inductor plays a key role in the operation of a switching regulator, but its physical size has generally prevented integration into the otherwise complete power solutions in modular format from mainstream chip suppliers. This lack of inductor integration makes the design of switching power supplies more complex, particularly when compared to linear regulators.
However, higher-frequency operation and clever design has enabled some pioneering vendors to shrink the inductor so that it can be integrated with the rest of the power module into a reasonably compact package. By using these packages, design engineers are able to eliminate the inductor-selection process and associated-loop compensation when developing a product’s power supply. However, accommodating the inductor into the package does introduce some trade-offs, including an efficiency reduction, limited choice, and greater EMI challenges.
For more information about the parts discussed in this article, use the links provided to access product information pages on the DigiKey website.
References:
- Effects of High Switching Frequency on Buck Regulators,” ON Semiconductor.
- Comparison Between Air-Core and Laminated Iron-Core Inductors in Filtering Applications for Switching Converters,” U Reggiani et al, University of Bologna, 2000.
免责声明:各个作者和/或论坛参与者在本网站发表的观点、看法和意见不代表 DigiKey 的观点、看法和意见,也不代表 DigiKey 官方政策。