选择合适的元件实现 7.5 位测量分辨率
投稿人:DigiKey 北美编辑
2026-01-28
仪器设计人员面临着在高性能数据采集系统(包括数字万用表 (DMM)、体重秤和地震记录仪)中实现 7.5 位分辨率的挑战。虽然多斜率模数转换器 (ADC) 可用于分辨率最高达 6.5 位数的仪器,但要实现更高分辨率的设计则更为困难,这源于若干元件规格限制和实现上的挑战。
本文研究了精密模拟元件的规格限制如何影响可实现的仪器分辨率,并阐述了如何通过精心选择 Analog Devices 的逐次逼近寄存器 (SAR) ADC、高精度电压基准、匹配电阻器网络以及零漂移低噪声放大器 (LNA) 来实现 7.5 位数分辨率。
数字化仪前端概览
精密数字仪器(如 DMM)使用前端将模拟电压转换为数字值。前端的核心是 ADC(图 1)。大多数 ADC 都有固定的输入电压范围,因此输入信号必须经过放大或衰减才能与之匹配。这需要放大器和电阻衰减器。如果使用 SAR ADC,还需要精密电压基准源。所有这些元件的选择都必须着眼于低噪声、低直流漂移和稳定增益,以最大限度地提高整个系统的精度。
图 1:所示为高精度仪器数字前端框图,其核心是 ADC。(图片来源:ADI)
选择正确的 ADC
选择 ADC 的第一步是确定所需的电压分辨率。在使用 DMM 等仪器时,通常以位数表示。典型的台式 DMM 分辨率为 6.5 位。这意味着有六位小数位(0 到 9)加上一位数值为 0 或 1 的半位。无刻度读数范围从 +1,999,999 到 -1,999,999;通常称为 4,000,000 计数分辨率。
二进制设备的计数是将二乘以位数的幂。位数和比特数可以相互对照绘制(图 2),但它们并不是整数倍的关系。
图 2:所示为整数位数和显示位数计算出的位数与比特数的函数关系图。(图片来源:Art Pini)
这些计算的核心共同点在于设备所能表示的离散值的计数或数量。给定计数的位数就是 log10(计数)。给定计数的等效比特数量是 log10(计数)/log10(2) 或位数/log10(2)。因此,4,000,000 的计数相当于 21.932 个比特数。
关于分辨率和精度的说明
位数和比特数均指仪器的电压分辨率。10 伏量程的 6.5 位 DMM 可以测量 -10 伏至 +10 伏的电压,计数为 4,000,000。这意味着每一步为 5 µV。这是设备的分辨率,而不是读数的精度。精度是测量值与真实值的接近程度。影响测量精度的因素很多,包括噪声、偏移误差、增益误差和非线性度。所有这些不确定因素都来自仪器的前端元件。
典型的 7.5 位 DMM 10 V 量程的 24 小时精度为测量值的百万分之 8 (ppm) 加上所选量程的百万分之 2 不确定度 (8+2)。1 年的额定长期精度可达 ±(16+2) ppm。ADC 线性度需要在 1.5 ppm 范围内,温度误差必须低至每摄氏度 5 ±1 ppm (ppm/°C)。
要达到这一精度水平,需要了解所需元件的短期和长期误差源。
用于高精度数字前端的 ADC
图 1 显示了一个典型的数字前端。它采用 24 位 SAR ADC,分辨率高,速度适中。SAR ADC 将输入信号应用于比较器。比较器的另一端接收来自 SAR 驱动的数模转换器 (DAC) 的猜测电压。寄存器的级数与 ADC 的比特数相同。它首先在 ADC 电压范围的二分之一处产生一个猜测电压。比较器显示输入电压高于或低于基于基准的猜测电压。如果猜测值小于输入值,则在寄存器位中存储 "1",否则存储 "0"。
寄存器按顺序通过其状态,以二进制为单位降低猜测电压。当猜测电压足够接近输入信号时,过程停止,寄存器中的数字代码等于输入电压。然后,ADC 发出转换完成信号,读取二进制代码。
请注意,SAR ADC 需要精确稳定的电压基准来驱动其 DAC。对于多量程仪器,还需要进行信号调节,以确保 ADC 输入尽可能接近 ADC 的满量程范围,而不会超出该范围。
Analog Devices AD4630-24BBCZ-RL 是 7.5 位数字前端的理想选择。这款双通道 24 位 SAR ADC 工作频率为每秒 2 兆样本 (MSPS),支持单端或差分操作。这款 ADC 采用 5 V 基准电压,典型线性度为 0.1 ppm(最大 0.9 ppm)。它包括了一个块平均滤波器,具有可编程的抽取比,可显著降低噪声,并在低输出率时将动态范围扩展至 153 分贝 (dB)。利用块平均法,它能在 60 赫兹 (Hz) 输出数据速率下实现 98 nV rms 输入参考噪声,从而在参考满量程输入时实现 7.7 位的噪声限制有效分辨率。
电压基准
由于 SAR ADC 的输出基于输入电压与来自电压基准的电压电平的比较,因此高度依赖于该基准的精度、稳定性和噪声电平。为了支持稳定性,埋入式齐纳基准技术通过在硅衬底深处形成器件来实现非常稳定的击穿电压。这种方法可使其与表面污染隔离,减少热效应,并降低其对应力和湿度的敏感性。通过内置加热器,可实现更高的基准电压稳定性,进一步将环境温度变化的影响降至最低。
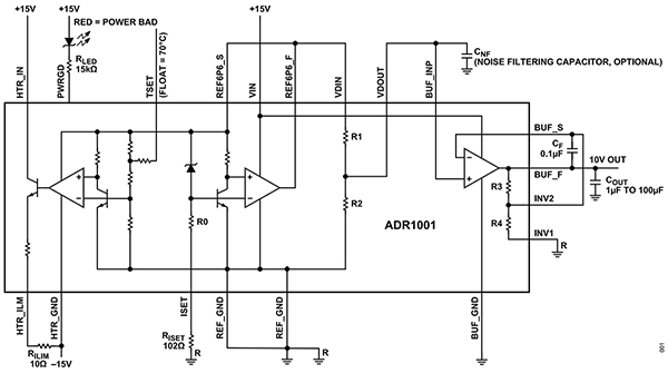
图 1 中使用的电压基准器件是 ADR1001AEZ(图 3)。这是一款烤箱控温的埋入式齐纳高精度器件,将加热器控制、基准源、输出缓冲放大器及所有相关信号调理功能集成于单一封装中,从而简化了设计流程并缩小了安装占用空间。
图 3:ADR1001AEZ 的功能框图显示了加热器控制(左)、基准源(中)和输出缓冲放大器(右)。(图片来源:ADI)
ADR1001AEZ 的标称输出电压为 6.6 V,精确调节为 5 V ±0.25% ,额定输出电流为 10 mA。其片上加热器的温度系数小于 0.2 ppm/°C。5 V 输出噪声(0.1 至 10 Hz)的峰峰值为 0.13 ppm,计算结果为 0.65 mV p-p。
用于实现 7.5 位分辨率的放大器
数字前端的输入放大器与匹配电阻器网络配合,对输入信号进行缩放,以匹配 ADC 的指定输入电压。该放大器可根据需要提供增益或衰减,必须具有低电压漂移和低噪声,才能达到所需的 7.5 位分辨率。对于这项任务,斩波稳定式 ADA4523-1 就是一个不错的选择。这是一款低噪声、零漂移轨至轨放大器,在 5 V 电压、-40°C 至 +125°C 的工作温度范围内,补偿电压为 ±4 µV(最大值)。低直流漂移通过自校准电路实现,该电路可将补偿电压随温度的漂移保持在每摄氏度 0.01 µV (µV/°C) 以下。
ADA4523-1 的共模抑制比为 160 dB(典型值),0.1 至 10 Hz 的噪声水平为 88 nV p-p(典型值)(图 4)。
图 4:所示为典型 ADA4523-1 放大器 0.1 Hz 至 10 Hz 的噪声波形。(图片来源:ADI)
选择匹配电阻器网络
匹配电阻器网络在单一封装中纳入了多个电阻器,这些电阻器具有匹配的电气特性,如阻值、公差和温度系数。绝对阻值并不重要,但这些阻值经过精确匹配,并可在较宽的温度范围内进行跟踪,因此电阻比保持恒定。
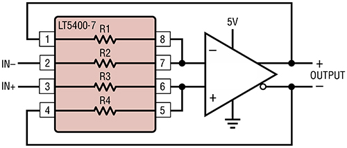
例如,LT5400BIMS8E-7(图 5)是一个四电阻器阵列,包括两个 1.25 kΩ 电阻器和两个 5 kΩ 电阻器,比例为 4:1,增益为 4。这些电阻器的标称电阻公差为 ±15% ,但其电阻比率匹配精度达到 ±0.025%。得益于共封装工艺,4:1 的电阻比率具有良好的温度跟踪特性,其温度系数为 ±25 ppm/°C,而电阻比率随温度的漂移仅 ±0.2 ppm/°C。
图 5:所示为使用 LT5400-7 的增益为 4 的差分放大器。(图片来源:ADI)
低温漂至关重要,因为放大器增益是由 R1 与 R2 和 R4 与 R3 的比率决定的。电阻器匹配可稳定放大器两半部分的增益,确保两半的增益相匹配,从而保持较高的共模抑制比 (CMRR)。
结语
尽管仪器设计人员在高性能数据采集系统中实现 7.5 位分辨率面临挑战,但通过选用合适的元器件,此目标完全可以有效实现。如前文所述,采用 Analog Devices 的高精度、低非线性度和低失调漂移器件——例如 AD4630-24BBCZ-RL ADC、ADR1001AEZ 精密电压基准、ADA4523-1 放大器以及 LT5400BIMS8E-7 匹配电阻器网络——能够显著简化高性能前端的设计。
免责声明:各个作者和/或论坛参与者在本网站发表的观点、看法和意见不代表 DigiKey 的观点、看法和意见,也不代表 DigiKey 官方政策。
