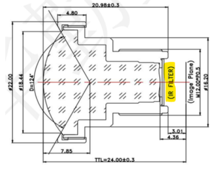
尽管 EDATEC 型号 ED-LENS-M12-230220-08 的数据手册中的机械图纸显示带有红外滤光片(IR Filter),但该产品实际并不附带该滤光片。机械图纸仅表明该镜头支持光学滤波功能。
相关话题
| 话题 | 回复 | 浏览量 | 活动 | |
|---|---|---|---|---|
| 适用于EDATEC的计算模块I/O板和12V计算机的电源 | 0 | 55 | 2024 年1 月 28 日 | |
| 被动式红外(PIR)传感器透镜的功能和选择 | 0 | 96 | 2025 年2 月 12 日 | |
| EAO 1948-1318-ND(22-040.001)相关 LED 透镜 | 0 | 66 | 2022 年7 月 27 日 | |
| Melexis 飞行时间(ToF) 产品 | 0 | 24 | 2024 年6 月 21 日 | |
| 环境光传感器:类型、应用和选择技巧 | 0 | 200 | 2024 年12 月 4 日 |
