本帖分享一个简单的电子负载,设计上力求简单,初学者使用洞洞板制作,
所以牺牲了一些精度和专业设备该有的设计,但规格上能覆盖常用电流范围。
可以不使用单片机就进行手动的数控控制,设定准确的电流值。
也可以使用单片机进行控制,根据程序改变电流进行动态测试。
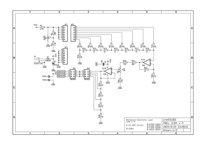
电路分DAC和恒流控制两部分,共4个通道,可以按需选择使用。
DAC部分使用16颗电阻组成8位R2R DAC,输出0-2.55V电压,由JP2通过跳线帽连接到JP1或JP2表达二进制的1或0,也可以连接到单片机的IO,比如Arduino。
运放IC1A对DAC的输出放大2倍,再通过R20、R21、RP1和R24分压,改为0-255mV
(这里的放大2倍不是必要的,是我有其他需求所致,
制作时可以将IC1A设置为1倍跟随器,然后重新计算分压电阻)
使得RP1可以在小范围内进行微调,设置RP1时,使用万用表电流档检查实际电流。
DAC的参考电压由TL431产生2.56V
JP4和JP5提供了多个通道的并联选择和DAC输出的1.0, 0.75, 0.5, 0.25倍选择,
电流0-2.55A时分辨率0.01A,电流0-5.1A时分辨率0.02A,依此类推,
4个通道全部连接时最大10.2A 分辨率0.04A。
恒流部分由LM324控制,驱动4个IRF640 N MOSFET,建议每路功率不超过12W
可以根据需要更换型号,但不建议挑战高压应用。有条件时LM358和LM324建议改为失调电压小于1mV的型号。
整个电路由12V供电,4x4x5cm散热片配4cm的12V风扇,但下方展示的实物图中并未安装风扇,在实物图中的电路板上包含一点额外的电路(一个NE555),它与本帖内容是不相关的,请忽略。


