ROHM Semiconductor and Würth Elektronik (WE) offers this wireless power design kit (ROHM-760308MP-EVK-001) to demonstrate the advantages of wireless power and to give developers the opportunity to test and integrate a wireless power solution into their application. This design kit is based on the Qi specification 1.2.2 and supports the Extended Power Profile (EPP) from the Wireless Power Consortium (WPC). Receiver and transmitter are also backwards compatible with the low power mode (Baseline Power Profile).
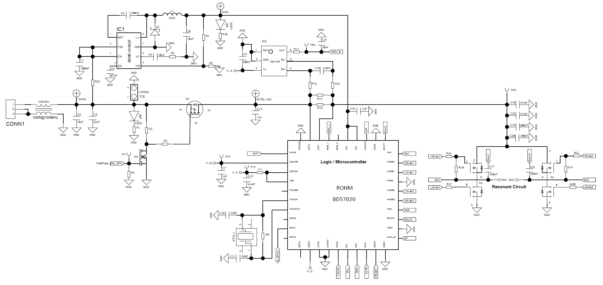
This evaluation kit transmitter is composed of pre-driver inverters for the TX coil, Qi compliant controller for the communication and demodulating circuit, GPIO, XO buffer, and I2C interface.
The BD57020MWV works as an analog frontend driven by a general-purpose microcontroller. In this design kit the transmitter is controlled by the MCU ML610Q772-B03, which has all necessary firmware to be compliant with the WPC Qi ver.1.2.2 standard and supports wireless power transmission up to 15W.
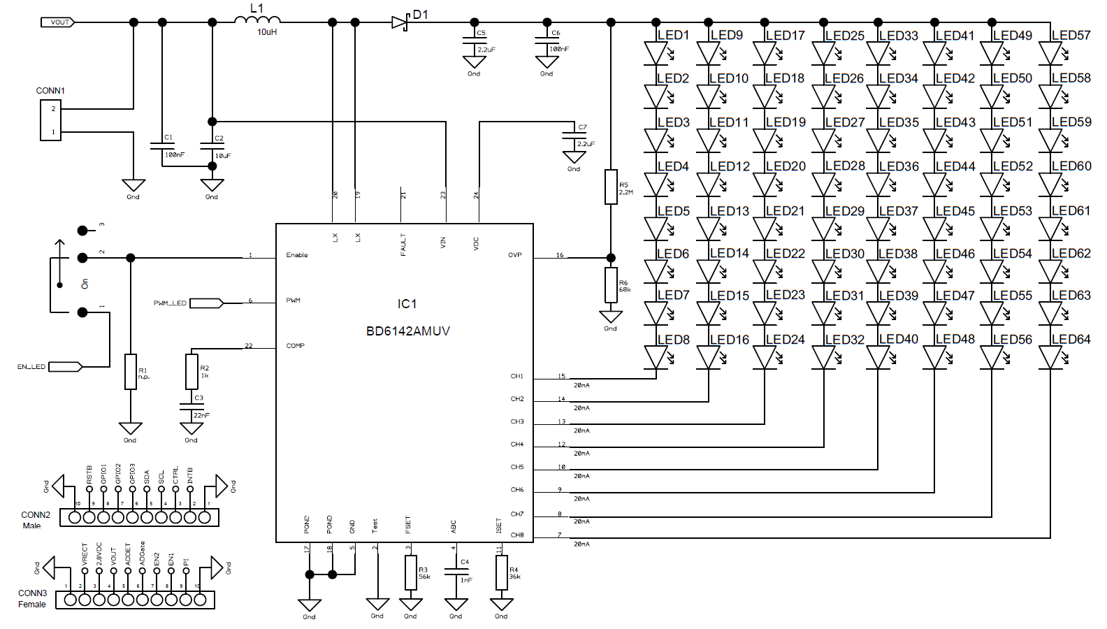
BD57015GWL is a wireless power receiver IC. The device integrates a fully synchronous rectifier circuit with low-impedance FETs, Qi and PMA compliant packet controller, adjustable regulated voltage output, and an open-drain output terminal to communicate with the power transmitter using amplitude modulation. The BD57015GWL is targeted at mobile applications implementing wireless charging compliant to Qi Medium Power (including Low Power) and PMA standard.
| Manufacturer | Rohm Semiconductor |
|---|---|
| Category | Power Management |
| Sub-Category | Inductive Charging / Wireless Power |
| Eval Board Part Number | ROHM-760308MP-EVK-001-ND |
| Eval Board Supplier | Rohm Semiconductor |
| Eval Board |
Board not Stocked
|
| Voltage Out |
10 V
|
| Current Out |
1.5 A
|
| Protocol |
Inductive, Qi-Compliant
|
| Voltage In |
19 V
|
| Current In |
- Not Given
|
| Standard(s) |
Qi v1.2.2
|
| Features |
Current Limit (Adj. or Fixed)
Foreign Object Detection (FOD) I²C Interface MCU Controlled Memory Available On-Board No Custom Transformer |
| Frequency |
110 ~ 205 kHz
|
| No-load Input Power @ Conditions |
- Not given
|
| Efficiency @ Conditions |
>80%, 10V @ 5 ~ 10 W
>70%, 5V @ 1.25 ~ 5 W |
| Component Count + Extras |
256 + 35
|
| Design Author |
Rohm
|
| Main I.C. Base Part |
BD57015GWL
BD57020MWV |
| Date Created By Author | 2016-09 |
| Date Added To Library | 2018-06 |